Mr_Stian Startet 27.November Link til dette innlegget Startet 27.November Hei Holder på å montere ny viskermotor. Den gamle var så klart noe spesial greier så fikk ikke tak i helt lik. Gamle hadde ikke parkering noe den nye har. Jeg har 4 kabler ut til motor. Jord, +12v, sakte og hurtig. De to hastighetene er egne kabler som får 12v når jeg svitsjer. Motor har 5 kabler og jeg forstår ikke helt skjema. Se vedlagt skjema. Brun er jord. Grønn sakte, rød hurtig og svart parkering. Men hva er den blå til? Prøvde å koble sånn som over her, og jeg får sakte og hurtig, men ingen parkering. Må jeg ha +12v på den blå pinnen og? Noe jeg har misforstått? Sitér dette innlegget Link to post
J-Å Svart 27.November Link til dette innlegget Svart 27.November Redigert: Den blå ha vil ha spenning fra svart hvis viskeren ikke er i parkeringsområdet. Hvis bryteren da slås i Park, gir den blå spenning til grønn, slik at motoren fortsetter å gå. Når viskeren når parkeringsområdet kobles den blå til minus (brun), slik at det blir forbindelse mellom brun og grønn. Motoren "kortsluttes" og stopper raskt. Sitér dette innlegget Link to post
hegra Svart 28.November Link til dette innlegget Svart 28.November Den blå må brukes. Når bryter er av er det strøm i den sorte. Når visker passerer parkeringspunktet brytes strømmen mellom sort og blå inne i park plate. Og dermed stopper visker når den blå ikke gir strøm tilbake til bryter. Det er altså alltid strøm på den sorte selv om bryter er av, mens den blå blir strømløs i parkeringspunktet. Håper dette var begripelig Sitér dette innlegget Link to post
hegra Svart 28.November Link til dette innlegget Svart 28.November Her er et litt mer forståelig skjema synes jeg. Bryteren står her i AV posisjon. Den roterende grå skiva er strømførende og her vist i parkposisjon. Dermed er kontakten brutt mellom S og P på skiva. Sitér dette innlegget Link to post
J-Å Svart 28.November Link til dette innlegget Svart 28.November Se min oppdaterte forklaring over. @hegra viser en litt enklere type uten oppbremsing av motoren. Det at den blå kobles til minus når viskeren er parkert, kompliserer bryterløsningen. Blå kan nemlig ikke kobles til pluss for parkering, slik som i @hegra sin løsning, men må kobles sammen kun med grønn når bryteren er av. Hvis kun en 3-posisjon bryter er tilgjengelig, kan det gjerne løses med et réle, som aktiveres når bryteren er i P, og sørger for sammenkoblingen av blå og grønn. Sitér dette innlegget Link to post
Mr_Stian Svart 28.November Emnestarter Link til dette innlegget Svart 28.November J-Å skrev for 17 timer siden: Redigert: Den blå ha vil ha spenning fra svart hvis viskeren ikke er i parkeringsområdet. Hvis bryteren da slås i Park, gir den blå spenning til grønn, slik at motoren fortsetter å gå. Når viskeren når parkeringsområdet kobles den blå til minus (brun), slik at det blir forbindelse mellom brun og grønn. Motoren "kortsluttes" og stopper raskt. Dette er riktig. Testet litt mer og blå ledning har strøm når motor er utenfor park. Når den kommer til park så kortsluttes denne og blir jord. For at jeg skal få dette til å virke så må jeg ha en 3 posisjons bryter. Det er beskrivelse av en Roca bryter som skal funke, men de kostet en del. Så skal få målt litt på de bryterne jeg har om kanskje jeg kan bruke den. Hvis ikke så kan jeg koble om sånn at den kun har sakte og park. Da blir det litt enklere Motoren er en Roca W25 btw. Glemte å skrive det i original innlegget. Sitér dette innlegget Link to post
index Svart 28.November Link til dette innlegget Svart 28.November Rar kopling. De viskerne jeg har vært borti har alle brudd på minus. Dvs pluss er fast tilkoplet, og minus switches mellom sakte, fort og parkering. Det virker litt ulogisk at blå skal være både pluss og minus.... Sitér dette innlegget "First they ignore you, then they ridicule you, then they fight you, then you win." - Mahatma Gandhi Link to post
J-Å Svart 28.November Link til dette innlegget Svart 28.November Kanskje det kan fungere med et reléer og en enkel 1-0-2 bryter? Sitér dette innlegget Link to post
Mr_Stian Svart 28.November Emnestarter Link til dette innlegget Svart 28.November Legger ved fult koblingsskjema her så kan dere se hvordan den skal kobles hvis jeg ikke skal bruke hurtig funksjonen. Den bryteren som er tenkt å brukes sammen her (Roca 466222) er vist en egen bryter som er til W25 og større motorer. Hvis jeg kobler om motor så mister jeg noe som heter dynamisk parkering. Tror det er valgmuligheten om å velge parkering til venstre eller høyre. Ikke veldig viktig hos meg, men kunne jo tenkt meg å brukt begge hastigheter. Link til bryteren: Roca 466222 - OFF-ON-ON Watertight Carling Switch LED for W25, W38, W50 Motors excl. Control Button | Yacht-Supply24 Sitér dette innlegget Link to post
J-Å Svart 28.November Link til dette innlegget Svart 28.November Jeg tror problemet med den enkle koblingen er at i Fast vil den ikke stoppe fort nok, og vil passere stoppområdet, og starte igjen. Men hvis du går via Slow så vil den trolig stoppe. Så du kan jo prøve med en vanlig 1-0-2 bryter. Som kobler til hhv. Slow og Fast. Så kan du evt. legge til reléer som vist over. Det er kanskje litt uheldig at det står spenning på P hele tiden, så forsyningen bør være via tenning eller en annen hovedbryter. Sitér dette innlegget Link to post
hegra Svart 28.November Link til dette innlegget Svart 28.November J-Å skrev for 4 timer siden: . @hegra Det at den blå kobles til minus når viskeren er parkert, kompliserer bryterløsningen. Blå kan nemlig ikke kobles til pluss for parkering, slik som i @hegra sin løsning, men må kobles sammen kun med grønn når bryteren er av. Mulig noe jeg ikke skjønner her, men sort og blå er jo strømførende helt frem til parkeringsfeltet på skiva. Da brytes kontakten før minus kobles til blå fordi strømførende felt til minus er smalere enn det strømløse feltet mellom sort og blå. Dermed kommer aldri de tre kontaktpunktene sammen. Somsagt, mulig noe jeg ikke ser Men hvor er hurtig hastighet? Er det inni motoren eller i rocabryter? Går motor med samme hastighet samme hvor du kobler til 12 volt, enten ved den røde eller grønne ledningen på motor? Sitér dette innlegget Link to post
Mr_Stian Svart 28.November Emnestarter Link til dette innlegget Svart 28.November 12v på grønn er sakte og 12v på rød er hurtig. Dette er testet og funker Sitér dette innlegget Link to post
J-Å Svart 28.November Link til dette innlegget Svart 28.November hegra skrev 1 time siden: Mulig noe jeg ikke skjønner her, men sort og blå er jo strømførende helt frem til parkeringsfeltet på skiva. Da brytes kontakten før minus kobles til blå fordi strømførende felt til minus er smalere enn det strømløse feltet mellom sort og blå. Dermed kommer aldri de tre kontaktpunktene sammen. Som du ser på siste tegning, viser saksa at brun minus må kuttes inne ved skiva for å ikke kortslutte +12V til minus, om en setter spenning på den blå ved å koble den til 12V med en bryter. Men da mister en altså bremseeffekten. Med den avanserte løsningen blir blå kun koblet til grønn i bryteren, og får kun 12V fra skiva. 0V ved parkering. Sitér dette innlegget Link to post
hegra Svart 29.November Link til dette innlegget Svart 29.November J-Å skrev for 7 timer siden: Som du ser på siste tegning, viser saksa at brun minus må kuttes inne ved skiva for å ikke kortslutte +12V til minus, om en setter spenning på den blå ved å koble den til 12V med en bryter. Men da mister en altså bremseeffekten. Ah, skjønner. Jeg var på det første skjema til TS da jeg svarte deg. Det siste skjema samt det jeg la ut blir feil med minus som du sier. Beklager, jeg som feiltolket Sitér dette innlegget Link to post
Fantino Svart 29.November Link til dette innlegget Svart 29.November For å løse dette med bare 4 ledninger så kan en vel kople Roca-bryter som i beskrivelsen (alt 2) utenom Blå/Sw (da en har for få kabler). På motoren koples Blå/Sw til Grønn/S via en diode og et relé sine NC kontakter. Relespole koples til Rød/F og Brun/G. Da skulle en oppnå: Motor får ‘parkeringsstrøm’ fra Blå via relé frem til visker er i parkposisjon når bryter er av. Med bryter i F så er Blå frakoblet (relé åpner når Rød/F får +) Med bryter i S så får Grønn/S + både via Blå/Sw når visker er ute av parkposisjon, dioden hindrer at pluss fra bryter kortsluttes til minus når visker går i parkposisjon. Burde ikke dette fønke? Antar bryter er ratet til 20A. En diode med passende rating er feks denne som kan bestilles på Mouser: https://www.vishay.com/docs/89033/mbr20100.pdf Sitér dette innlegget Link to post
hegra Svart 29.November Link til dette innlegget Svart 29.November Lenger opp er et skjema merket alt.3. Jeg hadde brukt det siden TS ikke har denne rocabryteren. Regner med det er ca slik j-A også tenker. Bytter da on/ off bryter med en off/on/on bryter og kobler til rød kabel også til bryter. De to hastighetene er visst innebygd i motoren og begge vil da fungere. Kan ikke skjønne annet at visker stopper om den kjøres på sakte før stopp selv om minus blir klippet. Husk å isolere den avklipte minus da den nå blir strømførende så lenge visker går. Går ikke dette så kan man prøve de andre forslagene. Sitér dette innlegget Link to post
Fantino Svart 29.November Link til dette innlegget Svart 29.November Jeg misforsto et innlegg over ift Roca-bryteren ser jeg nå, men skulle være helt kurant å kople slik jeg foreslo med en hvilken som helst off/on/on bryter + diode og relé for å få alle funksjonene med kun 4 ledninger frem til visker. Red. Men det enkleste måtte være å få en ekstra ledning, enten en fast minus eller fast pluss fra der det måtte være tilgjengelig. Ikke nødvendig å trekke pluss opp til bryter. Sitér dette innlegget Link to post
Mr_Stian Svart 29.November Emnestarter Link til dette innlegget Svart 29.November Hva vil en til fast pluss eller fast jord gjøre? Ingen problem å få en kabel til opp der, men ser ikke helt hvordan det kan hjelpe. har sett litt på å bruke 2 releer med NO/NC porter. Ett relé som stenger når høy hastighet og ett som stenger når lav hastighet er på. Da kan jeg kjøre denne blå kabelen gjennom begge reelene. Dvs at den kun er koblet sammen hvis både hurtig og sakte er skrudd av. Dette bør vel kunne fungere? Sitér dette innlegget Link to post
Audiquattro Svart 29.November Link til dette innlegget Svart 29.November Fant skjema her (to varianter): https://mgaguru.com/mgtech/electric/et219.htm som bør kunne følges (ignorer fargene). Sitér dette innlegget Link to post
Fantino Svart 29.November Link til dette innlegget Svart 29.November Ser at on-on-on brytere er såpass ukurante at de fort blir like dyre som Roca-bryteren så da er jeg enig i at ekstra ledning ikke hjelper særlig mye. Løsningen med 2 releer kan fønke, men grunnen til at jeg anbefalte en diode + relé var at blå vil ha minus fra slepering i parkposisjon. I det grønn får pluss når bryter sjaltes fra park til slow så vil det da være risk for en kortvarig kortslutning før releet rekker å åpne, noe relekontaktene liker dårlig. Med en diode slik foreslått så kan ikke strømmen gå den veien så da er det problemet ute av veien. En hvilken som helst diode som tåler strømmen kan nok brukes, jeg rotet bare fram en som tåler 20A som er typisk rating på slike ‘Carling’-type brytere som er mye brukt. https://www.dioder.no/products/ensretter-diode-800v Ville også fundert på å få på plass intervallfunksjon. Det er i alle fall det jeg har savnet mest når jeg ikke har hatt det. Viktigere enn parkering 😄 Sitér dette innlegget Link to post
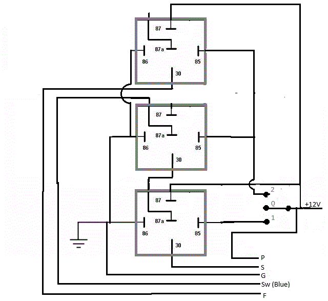
J-Å Svart 30.November Link til dette innlegget Svart 30.November Fantino skrev for 11 timer siden: For å løse dette med bare 4 ledninger så kan en vel kople Roca-bryter som i beskrivelsen (alt 2) utenom Blå/Sw (da en har for få kabler). På motoren koples Blå/Sw til Grønn/S via en diode og et relé sine NC kontakter. Relespole koples til Rød/F og Brun/G. Det er litt vanskellig å følge deg uten skjema, men mister du ikke bremseeffekten med en diode? Blir det det samme som å klippe forbindelsen til minus? Jeg har vist en løsning med 3 releer lenger oppe. Grunnen til 3 og ikke 2 er at da får en omtrent samme reaksjonstid på alle koblingene. Releene kan stå ved motoren. Sitér dette innlegget Link to post
Mr_Stian Svart 30.November Emnestarter Link til dette innlegget Svart 30.November J-Å skrev 35 minutter siden: Det er litt vanskellig å følge deg uten skjema, men mister du ikke bremseeffekten med en diode? Blir det det samme som å klippe forbindelsen til minus? Jeg har vist en løsning med 3 releer lenger oppe. Grunnen til 3 og ikke 2 er at da får en omtrent samme reaksjonstid på alle koblingene. Releene kan stå ved motoren. Hei. Jeg har faktisk ikke fått med meg skjema som du la inn lenger oppe her med 3 releer, men det er tilsvarende sånn jeg tenkte. Så jeg kommer til å prøve dette. Det er jo nesten likt sånn som jeg hadde tenkt, bare du har ett eget releet på fast også, som jeg er enig i at antakelig er bedre. Takk for hjelpen alle mann :) Sitér dette innlegget Link to post
J-Å Svart 30.November Link til dette innlegget Svart 30.November Mr_Stian skrev 2 minutter siden: Det er jo nesten likt sånn som jeg hadde tenkt, bare du har ett eget releet på fast også, som jeg er enig i at antakelig er bedre. Ja, det er viktig at ikke tidsforsinkelser lager kortslutninger. Kanskje enda bedre om du finner et dobbelrelé. De to øverste er jo styrt av samme signal. Husk sikringer, også under testing ! Du gir vel en tilbakemelding når det er testet. Sitér dette innlegget Link to post
Fantino Svart 30.November Link til dette innlegget Svart 30.November J-Å skrev for 1 time siden: Det er litt vanskellig å følge deg uten skjema, men mister du ikke bremseeffekten med en diode? Blir det det samme som å klippe forbindelsen til minus? Jeg har vist en løsning med 3 releer lenger oppe. Grunnen til 3 og ikke 2 er at da får en omtrent samme reaksjonstid på alle koblingene. Releene kan stå ved motoren. Jo hvis den bremseeffekten er avgjørende så kan sikkert det være en dårlig idé, men et annet av bildene som ligger i tråden viser jo kopling av flere viskere mot en bryter og der brukes dioder på alle kurser så skulle tro det også eliminerte denne mulig bremsingen da. Dersom bryter er av 2-polt Carling/Carling-klon type burde det holde med 2 releer tenker jeg. Klarer/gidder dog ikke å lage like lekker tegning 😄 Ang releene så ville jeg kjøpt backup, og dersom de får kort levetid hengt på en spark arrestor-krets. Har erfart svidde releer på en intervallbryter for viskere som jeg laget til en kameratbåt. Spark arrestor over kontaktene ser ut til å ha løst problemet. Sitér dette innlegget Link to post
J-Å Svart 30.November Link til dette innlegget Svart 30.November Ja, såvidt jeg kan se vil det også fungere @Fantino. Så lenge releene gårlikt. Jeg vil tro 30A Biltema releer klarer det greit. Det jeg liker litt dårlig med løsningen er at det står 12V på svart hele tiden. Så hvis viskeren av en eller annen grunn blir blokkert, vil parkeringsstrømmen stå på. Kanskje et relé med en timer, som bryter strømmen etter en stund når bryteren står på 0? Sitér dette innlegget Link to post
Recommended Posts
Delta i diskusjonen
Du kan skrive innlegget nå, det vil bli postet etter at du har registrert deg. Logg inn hvis du allerede er registrert.