Jump to content

VP TAMD 121C, utfordringer med kjøling. Termostat eller sirkulasjonspumpe?


Mr_Stian

Recommended Posts

Heisann. 

 

I båten har jeg 2 stk VP TAMD 121C motorer. Begge fungerer for så vidt greit, men jeg sliter litt med at den ene går litt varm. Fungerer fint i rundt 10 knop og 1100rpm. Ser den går litt varmere enn den andre motoren. Den kalde ligger på ca 78 grader, mens den varme ligger på rundt 88 grader på 1100rpm. Går jeg over dette stiger temp til over 90 og jeg får alarm. 

 

Jeg har hatt ute kjølerne så den får nok flow. Har overhalt sjøvannspumpen og. Så kjøle siden skal være OK.

 

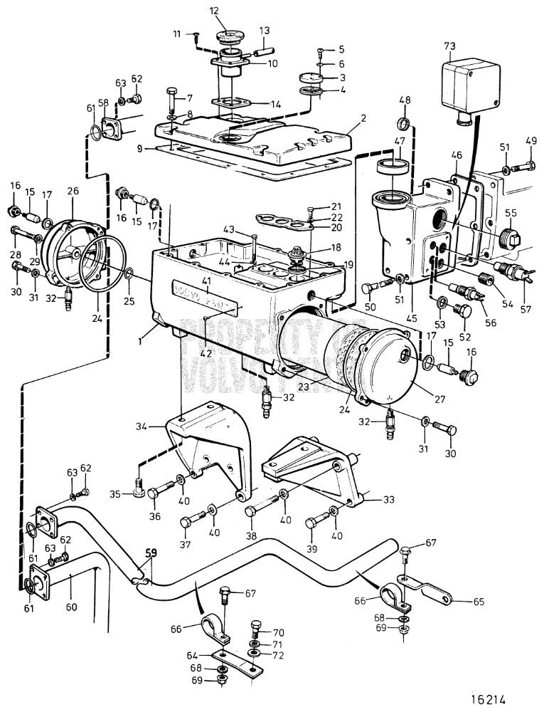
Jeg har kjøler som vises på skjema under. Kan se ut så jeg har 3 stk termostater.

 

På turen hjem i dag så datt plutselig tempen ned til 80 grader før den gikk sakte opp til 88 igjen under marsj. Mistenker derfor at jeg muligens kan ha problemer med termostat.

 

Når jeg kjenner på selve varmeveksler så er den kald i bunnen. En hel del kaldere enn hva den andre motoren er på samme plassen. På topp av kjøler er den varm (tipper 88 grader som resten av motor).

 

Kan det da være sirkulasjonspumpen som begynner å bli dårlig? Eller kan alt henge sammen med termostater?

 

Det er nokså mye arbeid å begynne å demontere, da kjøler ligger innunder gulvet over så jeg har veldig begrenset med tilkomst for å ta av lokket. Så ville derfor høre her om det er noen som kan ha noen gode teorier på hva som kan være galt.

For å få ut pumpen så må jeg nok av med lokket uansett så blir nok å begynne med det uansett. 

 

53823.jpg.05368f1d1e32cfbfbb18e80167595c75.jpg

Link to post

Har du prøvd å måle temp på noen annen måte enn instrumentene slik at du får sett om det er giverne og/eller instrumentene.

Temåleren med IR hos BT synes jeg fungerer godt nok. 
Et annet alternativ er å forlenge ledningene slik at du kryssbytter følere og instrumenter. 
Kan være en fin sjekk hvis du ikke er 100% sikker på at alt dette fungerer optimalt slik det er nå

 

Min ene KAD32 viste høy temp, men IR-føleren sa lik med den andre. Da gjorde jeg ikke noe mer med det og nå er båten solgt

Tror det var dårlig kontakt i ledningsnettet.

A calm sea never made a skilled sailor 
D5L

Link to post

Jeg tipper problemet ligger i termostatene. Siden den er kald under og varm på toppen, så sirkulerer ikke vannet forbi termostatene. Vannet må komme ned i bunndelen av kjøleren for å bli nedkjølt av sjøvannet i rørkjøleren. Hadde det vært sirkulasjonspumpen som var problemet, så tror jeg at også toppen på kjøleren hadde vært en god del kaldere enn selve motorblokken, da det mest sannsynlig ikke ville vært sirkulasjon inn til kjøleren.

Link to post

Forklaringen til @bellen høres logisk ut, så jeg ville kanskje begynt der.

 

Men jeg henger meg allikevel litt opp i dette:

Mr_Stian skrev for 6 timer siden:

Har overhalt sjøvannspumpen og. Så kjøle siden skal være OK.

 

Er du helt sikker på at sjøvannspumpa gir det den skal? Overhaling drar ofte med seg en risiko for at en feil oppstår...

Link to post
Komodo skrev for 3 timer siden:

Er du helt sikker på at sjøvannspumpa gir det den skal? Overhaling drar ofte med seg en risiko for at en feil oppstår...


En kan jo aldri være helt sikker, men ser ikke helt hva som kan gjøre at denne ikke skal fungere som den skal? Det er jo en nokså enkel konstruksjon. Grunnen til overhalingen var at det var lekkasje ut av pumpa gjennom pakning på akslingen. Denne lekkasjen har jeg ikke lenger. Resten så grei ut. 
 

Ellers så virker det som selve kjøledelen er veldig overdimensjonert på disse motorene. Den andre motoren blir ikke noe varmere om jeg presser motor. 
 

Får ta meg en tur ned å se hvordan jeg skal greie å få tatt av lokket. Skal få tatt bilde så dere ser hva jeg sliter med! 😅

Link to post

Sånn rent termodynamisk er det du beskriver redusert væskemende. I dette tilfellet den varme delen, altså for lite 'grønt vann'. Da vil min første innskytelse være obstrukssjon i termostatsiden. Sirkulasjonspumpen er nesten for enkel til å feile, dog et sted langt bak i hukommelsen husker jeg et løpehjul spant på akslingen. Det er som å vinne i lotto fire ganger på rad. 

Link to post
Komodo skrev for 10 timer siden:

Er du helt sikker på at sjøvannspumpa gir det den skal? Overhaling drar ofte med seg en risiko for at en feil oppstår...

Min mening er at om det hadde vært problemer med sjøvannspumpen, så skulle hele kjøleren vært like glovarm. Fordi da hadde alle termostatene vært fullt åpne og det hadde vært full gjennomstrømning av ferskvann i hele kjøleren.

Link to post

Delta i diskusjonen

Du kan skrive innlegget nå, det vil bli postet etter at du har registrert deg. Logg inn hvis du allerede er registrert.

Guest
Svar på dette emnet

×   Du har postet formatert tekst..   Fjern formattering

  Only 75 emoji are allowed.

×   Innholdet du linket til er satt inn i innlegget..   Klikk her for å vise kun linken.

×   Det du skrev har blitt lagret.   Slett lagret

×   You cannot paste images directly. Upload or insert images from URL.

×
×
  • Create New...