Magna Svart 6.Juni.2024 Link til dette innlegget Svart 6.Juni.2024 Tok heilt av detta og ingen ende vil ta. Solpanel på taket 1x 200w skanbatt + 2x40^^24v/80w Batteri start AGM 100ah skanbatt Batteri forbruk 2x 200ah skanbatt + 150ah super B 2x mppt 75/15 3ah laderele/lader frå mppt til start-batteri SmartShunt strøm/forbruk-måler med display i copit Cerbo GX med kobling mot Raymarinen dar framme 4x Ruuvi temp sensorer TP mifi 4g/wifi ruter Argofet batteriskiller Netstrømslader 2x30ah Ikkje på bildet Domitec PP2002 inverter(2000/4000w), lagt opp fjærnbryter i panelet framme Filax 2 transfer switch (landstrøm/inverter) Skal ha Galvanik isolator 16ah på jordsystemet E no ein utfordring å få detta til å sjå ryddigt ut, minus på dei 3 forbruk-batteri skal ikkje være paralell men koblet til bus for så videre til shunt, pluss siden også til bus men då også oppsamling av da andre som e koblet direkte til banken som automatisk lense-pumpe, Smartboat systemet (sensar marine), usb uttak og Eberen. Å her treng eg ekspert hjelp,,,,,,, Jodinga frå inverteren har eg i dag kolet til minus bus i 12v systemet noke eg føler kan bli problem med tæring i lengden, planen min e å få inn den galvanik isolatoren inn på jordkabel "pe ut" i Filax 2 boksen, då vil isolatoren være nyttig for landstrøm og inverter,,, e eg på villspor no eller? Har kontakta Victron - Defa - Skanbatt og dar eg har handla Victron uten å få fornuftigt svar,,,,, aller besta e vel å kabla opp mot kobberplate under vannlinja (får sjå nestegang båten e på slip) E da godkjente innstalatører på detta området som kan sjå gjennom og godkjenne sånt system, månge som utføre den jobben men svært få eller ingen med papirer. gjennomgang på 220v sytemet kan ein vanleg eletrikker utføre men jordsystemet i båt har dei ikkje peiling på Sitér dette innlegget Link to post
shaukaas Svart 7.Juni.2024 Link til dette innlegget Svart 7.Juni.2024 @Magna - Jeg driver et foretak som både selger og installerer Victron utstyr, men kan ikke ta på meg et oppdrag med å godkjenne en løsning som denne hvor kunden selv har installert utstyret. Det skilles heller ikke på om det er snakk om 12VDC eller 230VAC, da begge deler er potensielt sett farlig for liv og helse. Du vil nok få store problemer med å finne en seriøs aktør som med en elektroinstallatør i ryggen kan utstede en slik type "godkjenning" av ditt elektriske anlegg. Det du nevner ift jording er det veldig få som har kompetanse på. Som skipselektrikeroffiser er dette en av mine faglige "spesialfelt" og jording i båt er ikke alltid rett frem eller enkelt. Men ift tæring kan dette bli et problem, men kun dersom du ligger på landstrøm uten skilletrafo. Dårlig jording og jordfeilvern er livsfarlig, og noe det veldig ofte er feil på. Det eneste jeg kan tilby er en inspeksjon av anlegget med test og analyse av vern, forutsett at anlegget da er godt dokumentert. Det er veldig vanskelig å oppsummere nesten 30 år med yrkeserfaring i et svar på et forum: Det er hundrevis av små og store detaljer som skiller et godt og et dårlig elektrisk anlegg, enten det er i båt eller hus. Men ut fra bildene ser jeg at anlegget har flere faglige mangler. Sitér dette innlegget Link to post
Magna Svart 8.Juni.2024 Link til dette innlegget Svart 8.Juni.2024 @shaukaas Kommer snart nye bilder og da forhåpenligvis noke meir ryddigt, Begynte då eg i fjor fekk rødlampe i displayet (VP D6) bytta først start batteri og batteri-skiller, men feil kom igjen innimellom, såg seinare at landstrømlader mata på med 15,6v,(overlading) etter feilsøk med batteri-tester frå biltema fant eg feil på eine forbruk gel batteri (dødt) da vart då også årsak til øvelading på dei andre 3 som også fekk seg ein god knekk, hadde da fått på taket 200w panelet til lading av forbruk-bank og 3ah lade-uttak til start-batteri som også tar strøm frå forbruk om spenningen e høg nok , så altså då blei også nya start-batteri redusert også. Bytta landstrøm lader, satte inn 3x blybaterier, lagde nye kabler og egentlig alt heilt greit, Men men ville ha bedre kontroll og handla inn forbruksmåling og etterpå så har da berre tatt heilt av. No e da jobb med nye batteri-kabler og samle-bus så samle tynnkabler i koblingsboks. har ein plan om å ta ned all installasjon og montere oppigjen på ny med bedre plassering. (var ikkje i startpunkt plan med alt som no e komt ) mppt`ene e ei utfordring 6mm2 kabler innpå altfor små terminaler,,, har du triks dar ? Du skriv "kun dersom du ligger på landstrøm utn skilletrafo" vil da sei da e mindre tæring problem med inverter? 220v anlegget i båten e frå 2006 og har ein følelse av att da virka greit og sikkert, vil da då verta bortkasta penge å montera galvanik isolator ev, kor i systemet ville du montert den? Har flinke folk rundt meg som bistår og kontrolerer meg i arbeidet, men som tidligere nevnt så kan tæring være eit stort problem og då må me prøva å få eit godt og trygt anlegg og ev, beskytte meg mot andres feil og mangler. no e da kveld :-) Sitér dette innlegget Link to post
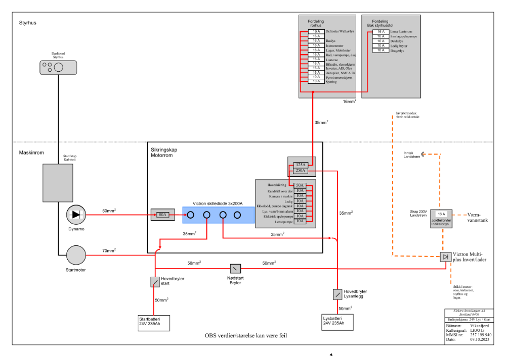
Hans1sjarken Svart 19.Oktober Link til dette innlegget Svart 19.Oktober (redigert) Hei. Jeg har: 1x Multiplus 5000VA 120a 1x Argofet skillediode Jeg har veldig lite peiling på strøm, så vær tålmodig med meg. Jeg har 24v anlegg og skal skaffe meg en dynamo som går til start og en til husbank. Jeg vil ha bedre kontroll og overvåkning av batteristatus, load osv. på anlegget. Har skjønt det slik at jeg må skaffe meg en Cerbo GX, og muligens 1 smartshunt på hver av bankene. Da vil jeg kunne bruke Victron app og kan også styre dette hjemme. Stemmer dette? Har også sett Victron selger galvanisk isolator, er dette noe jeg burde skaffe? Uansett her er oppsettet på batteri og dynamo, og spesifikasjonene mine: Start: 2x AGM på 50ah hver. Dynamo orginal til Cummins 6bta 2001 modell, usikker på specs, siden det er denne jeg ikke har installert enda. Husbank: 2x 235ah hver. Dynamo 150a 24v. Hva anbefaler dere at jeg gjør, selvfølgelig skal elektriker sette dette opp. Jeg vil ikke ha skjerm i styrhus, jeg vil styre alt på telefon både når jeg er om bord og når jeg er hjemme. Til info så har jeg egne batteribrytere på start og husbank. Jeg har også en nødbryter som gjør at jeg kobler sammen batteri "forbruk og start". Skal brukes når man ikke får start på motor og man må ha start. Jeg legger ved dagens enlinjeskjema, merk at alt er ikke 100%, feks starbatteri er på 50 ah ikke 235 ah. Redigert 19.Oktober av Hans1sjarken Forklarteat enlinje skjema ikke er 100% feks startbatteri har feil ah (see edit history) Sitér dette innlegget Link to post
Blouberg Svart 19.Oktober Link til dette innlegget Svart 19.Oktober Hans1sjarken skrev 50 minutter siden: Har skjønt det slik at jeg må skaffe meg en Cerbo GX, og muligens 1 smartshunt på hver av bankene. Da vil jeg kunne bruke Victron app og kan også styre dette hjemme. Stemmer dette? En Cerbo GX gir deg god oversikt dersom du har minst en smartshunt. Shunten gir SOC og strømtrekk/lading på en batteribank, samt gir spenning på f.eks startbatteri i tillegg. FInnes også mange andre funksjoner på Cerbo, både til styring og overvåkning Du er avhengig av en eller annen form for internett tilgang for å kunne styre se status uten å være i båten. Victron har mobil modem, eller du kan bruke et hvilke som helst modem med kablet eller WIFI nett i båten. Jeg bruker selv WIFI, har vært 100 % stabllt. Sitér dette innlegget Yamarin 68DC, Bavaria 32 Sport, Mercury Dynamic 280. Holder til i Oslofjorden, AMY:LL3459 MMSI:259014460 Tukler med litt av hvert, legger i blant ut noen ymse videoer her Insta:@anderfrode Link to post
Hans1sjarken Svart 19.Oktober Link til dette innlegget Svart 19.Oktober Ok, takk for svar. Har bra internett om bord med wifi og kabel- mulighet. Er det overkill med shunt på start. Spør sikkert veldig dumt nå, men i mitt hode vil det bare gi mer oversikt, hvorfor skulle man ikke trenge det f.eks. Sitér dette innlegget Link to post
Blouberg Svart 19.Oktober Link til dette innlegget Svart 19.Oktober Det er litt dårlig støtte for 2 shunter. Du må grave litt i dashboardet for å få opp info fra shunt 2. Shunt 1 ligger som widget på førstesiden. Du har sikkert blybatteri på start, da vil jo spenningen gi en god indikasjon på SOC. Vurderte å sette på en shunt på truster batteri, men foreløpig slått det fra meg. Sitér dette innlegget Yamarin 68DC, Bavaria 32 Sport, Mercury Dynamic 280. Holder til i Oslofjorden, AMY:LL3459 MMSI:259014460 Tukler med litt av hvert, legger i blant ut noen ymse videoer her Insta:@anderfrode Link to post
Hans1sjarken Svart 19.Oktober Link til dette innlegget Svart 19.Oktober Ok, da holder det med 1 shunt for mitt bruk. Hva tenker du om galvanisk isolator, er det lurt å skaffe seg? Sitér dette innlegget Link to post
Blouberg Svart 19.Oktober Link til dette innlegget Svart 19.Oktober Hans1sjarken skrev 52 minutter siden: Hva tenker du om galvanisk isolator, er det lurt å skaffe seg? Om du ligger på landstrøm er dette viktig. Reduserer tæring! Sitér dette innlegget Yamarin 68DC, Bavaria 32 Sport, Mercury Dynamic 280. Holder til i Oslofjorden, AMY:LL3459 MMSI:259014460 Tukler med litt av hvert, legger i blant ut noen ymse videoer her Insta:@anderfrode Link to post
Hulda Svart 19.Oktober Link til dette innlegget Svart 19.Oktober Jeg vet ikke hva båten din er laget av, hvor den ligger, eller hvordan. Som over, skal du ha et lovlig elektrisk AC- og DC-anlegg er galvanisk isolator et absolutt minimum. Helt sikkert blir det med skilletrafo. Sitér dette innlegget Link to post
Recommended Posts
Delta i diskusjonen
Du kan skrive innlegget nå, det vil bli postet etter at du har registrert deg. Logg inn hvis du allerede er registrert.